- 首頁
-
提升機
了解詳情
NE板鏈系列
NE系列板鏈式提升機是本公司引進國外同類產品先進技術開發的產品,是目前國內較為先進的一種垂直提升設備,已被廣泛用來提升各種散狀物料,如:礦石、煤、水泥熟料、糧食、化肥等。在各工業國家,這類提升機應用廣泛。 高效節能的NE系列板鏈式提升機共有11種型號:NE15、NE30、NE50、NE100、NE150、NE200、NE300、NE400、NE500、NE600、NE800,鏈速≤40m/min。另外,我公司還可根據用戶要求設計輸送量介于上述型號之間的擴展型號。
了解詳情
NSE板鏈系列
NSE系列高速板鏈斗式提升機是我公司引進國外同類產品先進技術開發的一種新型垂直提升設備。它適用于提升粉狀和小顆粒狀物料,如:水泥、煤粉、破碎后較細的礦石等,被廣泛應用于建材、冶金、煤炭、電力等工業領域。 NSE系列板鏈斗式提升機共有十幾種基本型號:NSE100到NSE1900,提升量從100m3/h到1900m3/h,每種型號根據輸送物料的不同,選擇不同的提升速度和不同的料斗形狀(D型、A型、L型),最大提升速度≤71m/min,最大提升高度65m。另外,我公司還可根據用戶要求設計輸送量介于上述型號之間的擴展型號。
了解詳情
TGD鋼絲繩膠帶系列
鋼絲膠帶提升機具有輸送量大、體積小、功耗低、運行平穩可靠、使用壽命長、可實現單機超高提升等特點,是我公司在消化吸收國外新技術,結合國內生產使用實踐而開發的新一代產品。本機適用于干散粉狀物料或小粒狀物料的垂直輸送。廣泛應用于水泥、化工、煤炭、電力、港口、糧食等行業粉粒狀物料高負荷輸送系統。特別推薦用于新型干法水泥廠窯尾入窯生料輸送、大型生料均化庫、水泥庫入庫物料輸送和大型球磨機閉路系統物料高負荷循環輸送,完全替代同規格進口設備。目前已開發的產品實物最大輸送量超過1800m3/h,最大輸送高度達180m。
了解詳情
提升量2000t/h以上大型板鏈提升機
由于水泥企業規模的不斷擴大和節能減排的要求,在國內外采用輥壓機用于生料終粉磨和水泥聯合粉磨也越來越多,其單臺的能力也不斷擴大,使得與之相配套的輸送設備-單臺提升機的能力也在提高。由于此處的物料是塊狀的且磨琢性很大,因此只有板鏈提升機能夠適用。但由于輥壓機出輥物料不穩定及磨琢性大等特性及生產工藝問題,經常造成提升機堵料、漏料、設備振動、電機頻繁跳停、物料回料量大等現象,嚴重的影響了整個系統的運轉率。我公司集多年板鏈提升機設計和制造經驗,開發出了適用于此工藝系統的大輸送量的大型板鏈斗式提升機,使得整個工藝系統不因板鏈斗式提升機的故障而影響整個系統的運轉率。
- 物料輸送鏈
- 技術與服務
-
備品備件
- 聯系我們
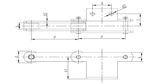
取料機鏈條
長方形料堆和圓形料堆取料機鏈條規格查看如下表格;
其它特殊規格的鏈條我公司可按用戶要求單獨設計。
圓形料堆取料機鏈條規格
長方形料堆取料機鏈條規格
-
長方形料堆取料機鏈條


其它特殊規格,我公司可按用戶要求單獨設計。如需更詳細的了解,請與我公司銷售部門聯系。


![KP_W9GHGC@])AKJ]JJIABER.png KP_W9GHGC@])AKJ]JJIABER.png](/mtdl/ueditor/net/upload/image/20170411/6362751632103967295461381.png)